들어가기
취미로 정리하는 SMPS(Switching Mode Power Supply) 전원장치에 대한 개괄적인 이론이다. SMPS는 스위칭 소자를 사용해 전원을 공급하는 장치이다. 이전 리니어 전원 공급 장치는 AC을 낮은 전압 AC로 낮추고 DC로 변환하는 과정을 거친다. 그렇기에 매우 큰 트랜스포머가 필요로 했다. SMPS는 AC를 바로 높은 전압 DC로 변환하고 DC-DC로 원하는 전압으로 낮춘다. 작은 트랜스포머로도 고성능 및 고효율의 전원을 공급할 수 있게 된다. 이글은 어떻게 동작하는지에 초점을 맞추었다.
작성자: http://ospace.tistory.com/ (ospace114@empal.com)
SMPS 기본 동작
SMPS는 다양한 토폴로지가 사용된다. 제가 모든 것을 이해해서 설명할 수는 없고 전체적인 개괄적은 흐름만 다룰려고 한다. 다음 그림은 전체 흐름을 잘 설명해주고있다.

SMPS의 주요 구성요소로는 Rectifier(정류기), Filter(필터), PFC(Power Factor) Regulator, DC-DC Converter가 있다. Rectifier는 정류기로서 교류를 직류 형태로 변환한다. Filter는 EMI 필터로 AC입력으로 고주파 유입을 허용 수준으로 감소한다. 이는 다른 장치로부터 간섭을 방지하기 위한 목적이다. PFC 레귤레이터는 정류된 입력 직류의 역률(PF)을 증가시킨다. 역률는 교류 회로에서 소모된 전력에 대한 전류와 전압의 실효값(RMS) 곱의 비율을 의미한다. 즉, 실제 전력 중에 사용된 전력비를 의미한다. 이런 차이는 회로 리액턴스로 발생한다. DC-DC 변환기는 PFC 출력에서 원하는 DC 출력을 생성한다.
물리적으로 중간에 트랜스포머를 기준으로 왼쪽을 1차측, 오른쪽을 2차측이라고 한다. 대략적인 흐름을 보면 1차측은 AC을 DC로 변환하고 다시 DC를 AC로 변환해서 트랜스포머에 의해 2차측으로 전달한다. 2차측은 트랜스포머에 의해 변환된 AC를 다시 DC로 정류하는 과정이다.
SMPS 토폴로지는 크게 비절연식(Non-isolated)와 절연식(Isolated)으로 구분할 수 있다. 비절연식은 1차측과 2차측을 하나의 물리적으로 연결되어 있다. 절연식은 1차측과 2차측을 물리적으로 회로가 분리되어 있다. 그렇기에 절연식에서는 트랜스포머를 사용해 직접 연결하지 않도록 한다. 이는 회로 손상으로 인해 감전사고를 예방한다.
여기는 주로 절연식 토폴로지인 플라이백을 다룰려고 한다. 또한 흐름에 있어서 중요한 구성요소만 다룰려고 한다.
1차측
1차측에서 Rectifier에 의해서 AC를 높은 전압은 직류로 변환한다. 그 다음 Filter에서 노이즈나 과도한 전압과 전류를 제거하고 평활화한다. 그리고 트랜스포머에 의해서 원하는 전압으로 변환해야 한다. 그러나, DC는 트랜스포머에 의해 전압 다운 되지 않기에 AC 형태로 변환해야 한다. 이때 FET와 펄스 회로에 의해 DC를 AC으로 변환한다. 그리고 트랜스포머에 의해서 2차단으로 전류를 유도한다.

DC 변환
먼저 1차측에서 정류기에 의해 AC를 DC로 변환하는 과정을 보자.

정류기는 4개 다이오드로 구성된다. 그리고 캐퍼시터에 의해서 평활화한다.

위 회로는 정류기에 입력 전원으로 220V@60Hz을 사용하고 출력 전압은 약 DC Max 218V을 얻는다. 직류라고 해도 꽤 높은 전압이 출력된다.
SMPS에서는 꽤 높은 전압을 사용되기 때문에 감전되지 않도록 매우 주의해야한다!!!
추가로 AC가 정류기로 입력되기 전에 노이즈 제거하는 경우가 있다. 차동 모드 노이즈와 공통 모드 노이즈가 있다. 라인 필터는 공통 모드 노이즈 제거에 사용된다. 또한 라인 필터는 내부에 고속 스위칭에 의한 노이즈도 외부로 나가지 못하도록 차단한다고 한다. 또한 입력에 캐퍼시터를 연결해서 고주파 노이즈를 제거한다. 저항을 캐퍼시터와 병렬로 연결해서 전원이 꺼진경우 캐퍼시터에 있는 전하를 방전시킨다. 저항값은 캐퍼시터 용량에 맞춰서 계산한다. 저항은 보통 1M Ohm을 사용하며 SMPS 전력이 높아지면 저항은 낮춰준다고 한다.

AC로 변환
다음 단계로 트랜스포머에서 처리하기 위해 DC에서 AC로 변환하는 과정이다. 이 과정은 트랜스포머에서는 교류를 사용해서 변환하기 때문이다. DC에서 AC로 변환하는 과정은 FET를 사용한 스위칭으로 만들어낸다. 고전압을 사용하기에 보통 FET를 사용해서 전류 흐름을 열고 닫기를 반복한다. 이렇게 생성된 AC를 트랜스포머로 변환된다.

이렇게 구성하는 가장 간단한 회로가 플라이백 컨버터이다. 대부분의 100W 이하 소용량 SMPS에서 많이 사용되는 방식이다.

트랜스포머와 FET가 연결되어 있다. 그리고 FET는 제어회로(Control Circuit)로 연결되어 있다. FET가 스위치 역할을 하면서 전류 흐름을 G 단자를 통해 ON와 OFF을 할 수 있다. FET를 사용하는 이유는 고전압 스위칭 특성이 좋기 때문이다. 그리고 제어회로에 의해서 FET의 ON와 OFF를 제어한다.
FET가 ON상태에서 트랜스포머의 주권선 전류가 시계방향으로 흐르지만 트랜스포머의 2차권선은 2차측에서 시계 반대 방향으로 전류를 흐르게 된다. 그러나 2차측에 다이오드로 인해 전류가 흐를 수 없게 되고 트랜스포머는 인덕터 형태로 작동한다.
FET가 OFF가 되면 트랜스포머의 인덕턴스에 의해 자신의 전류 흐름을 유지할려고 반대로 전류가 흐르게 된다. 이때 코어에 축적된 에너지가 방출하기 시작한다. FET로는 전류가 흐를 수 없기에 반대 방향으로 흐르게 되면서 2차단에 전류가 시계 방향으로 흐르면서 전압이 발생한다.
FET가 ON과 OFF을 반복적으로 스위칭되면서 교류가 생성되고 트랜스포머에 의해서 변환된다. 이렇게 고전압을 반복적으로 스위칭으로 인한 과도 전압(스파이크) 및 전류로 인해 회로 안전성을 떨어뜨리기에 이를 흡수하거나 분산시키기 위한 스너버(Snubber) 회로를 추가해야 한다.

일반적인 스너버 회로는 캐퍼시터와 저항을 사용한다. 때로는 다이오드를 조합하기도 한다. 위 회로는 캐퍼시터, 저항과 다이오드를 사용했다.
SMPS에서 제어회로에 따라 타려식과 자려식(RCC)로 구분된다. 제어회로가 PWM IC을 사용한 경우 타려식이고 기본소자로 구성된 경우 자려식이다.
타려식
타려식은 제어회로가 PWM IC(이하 PWM)을 사용한 방식이다. 모든 제어에 필요한 기능을 IC에 모두 넣었다. 어떤 경우는 별도 FET를 사용할 필요 없이 내장된 PWM도 있다. PWM에 FET가 내장된 경우는 큰 출력 전압을 안정적으로 처리하기 위해 드레인 핀이 다른 핀과 구분되서 떨어져 있거나 핀이 복수인 경우가 많다. PWM에서 출력 전압 제어는 펄스 신호의 듀티를 조절해서 안정적인 출력을 제어한다.
PWM이 작동하기 위해서는 외부 전압이 필요하다.구동할 때에 아직 전압이 생성되지 않기에 전압을 제공하는 방법이 필요하다. 전압을 제공하는 방법으로 드레인 핀으로 입력되는 전압을 사용하는 방법, 보조권선을 추가해 별도 전압을 공급받는 방법이 있다. 초기 기동하기 위한 전압은 정류기에서 나오는 전압 공급받는다. 물론 별도 트랜스포머를 통해서 전압을 공급받는 방법도 있다.

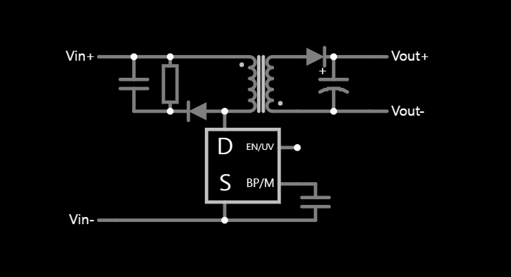
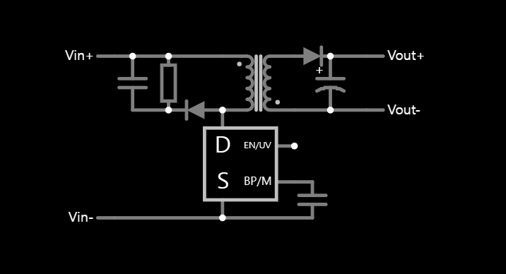
위 회로는 PI사 제공하는 TinySwitch-4에 대한 개략도이다. 중간에 있는 소자가 PWM이다. 각 핀에 대한 설명은 다음과 같다.
- S: 소스
- 그라운드에 연결되어 전압이 빠져나간다.
- D: 드레인
- 드레인에 높은 고전압을 입력 받고 소스로 빠져나간다.
- BP: Bypass
- D로 전압이 입력받지 못할 경우 캐퍼시티에 전원을 공급받아 동작하도록 한다.
- M: Multi-function
- 단순 전원 공급뿐만 아니라 캐퍼시터 용량에 의해 전류 제한을 조절할 수 있다.
- 캐퍼시터 용량으로 과전류 감지 수치가 달라진다.
- EN: Enable
- 피드백에 의해 내부 FET를 ON/OFF하여 듀티를 조절하고 UV는 Under Voltage Lock out으로 낮은 전압에는 작동하지 않도록 한다.
- 이를 위해서는 모니터링 전압용 별도 회선을 구성해서 일정 전압보다 커야 작동하도록 한다.
위는 경우는 FET가 내장된 경우이지만 외부에 FET가 있는 경우도 있다. 이는 대부분의 PWM 제품이 비슷한 형태를 가진다고 한다.
- 1차측 주권선에서 전압이 D 핀으로 입력되고 PWM이 동작한다.
- PWM의 펄스신호의 듀티를 조절하여 D 핀으로 전류 흐름을 제어한다.
- D 핀이 off 되면 2차측 2차권선으로 유도기전에 의해 전류가 흐르게 된다.
타려식은 PWM을 사용하기 때문에 외부 전원공급을 고려해줘야하고, 부품 수가 많아 설계가 복잡해진다. 위의 회로는 최대한 단순화된 개념도 이므로 복잡해보이지 않는다. 실제 회로를 보면 PWM 주변으로 다양한 소자로 복잡하다. 또한 타력식은 고전력, 안정성과 정확성은 뛰어나다.
자려식
자려식 SMPS는 기본 소자만으로 발진회로(oscillator)을 구성해 스위칭 동작을 할 수 있도록 한다. 외부 발진기가 필요 없기에 회로가 간단하고 부품 수가 작다. 출력 전압 제어는 트랜스포머의 보조 권선을 통해 받기 때문에 정확한 제어가 어렵기에 효율성에 한계가 있다.
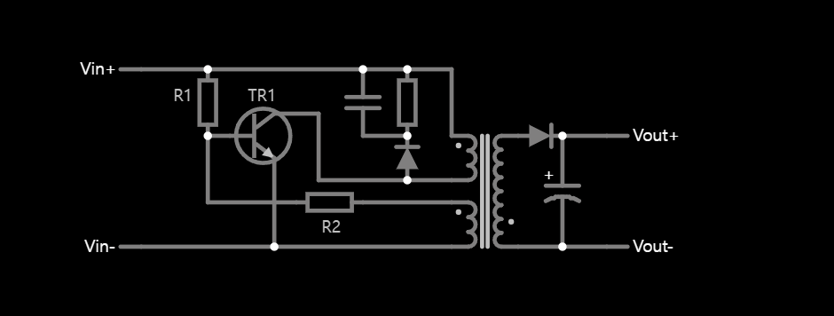
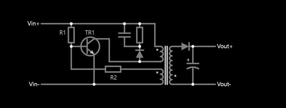
간단한 동작을 확인하기 위해 FET을 사용하지 않고 트랜지스터만을 사용해서 확인해보자. 아래 처럼 간단하게 회로를 구성할 수 있다. 2차단은 기본 정류처리만 해서 출력을 확인했다.

FET 대신에 트랜지스터만 사용하고있다. 개략적인 동작을 살펴보면 다음과 같다.
- R1을 통해 기동시 TR1이 동작하기 위한 베이스 전압이 입력받는다. 그러면 트랜스포머의 주권선에 전류가 흐르게 된다.
- 2차권선에도 반시계방향으로 전류가 유도되지만 다이오드에 의해서 전류가 흐르지 않고 코어에 에너지가 축척된다. 동시에 보조권선에도 전류가 유도되서 TR1의 베이스 전압이 추가로 공급된다.
- TR1의 콜렉터 전류가 상승하면서 불포화상태가 되어 콜렉터 전류가 떨어지고 보조권선의 전류도 낮아지게되고 콜렉터 전류가 떨어지면서 스위치가 OFF된다.
- 그러면 주권선에서 전류가 흐르지않고 축적된 에너지에 의해서 역기전력이 발생하면서 2차권선에 시계방향으로 전류가 유도되고 전압이 발생한다.
트랜지스터와 트랜스포머를 이용해 AC 전압을 발생한다. 스너버 회로는 전압을 커패시터에 흡수되고 트랜지스터 불포화상태가 되면 역기전력으로 반대방향으로 전류가 흐르면서 커패시터의 전류가 방출된다. 각 소자의 값을 사용해 주파수가 결정되고 출력 전압에 영향을 미친다.
자려식 SMPS는 스위칭 주파수가 변경되면서 출력 전압을 제어한다. 자력식은 별도 전원이 없고 부품수가 적기 때문에 회로가 간단하다. 단지 낮은 출력전압과 피드백 회로에 대한 제약사항이 있다고 한다.
2차측
2차측에서 정류와 피드백기능을 제공한다. 정류는 Rectifier에 의해 트랜스포머의해 다운된 AC 전압을 DC로 변환한다. 그리고 이때 Opto-Isolator에 의해서 1차측으로 피드백한다. 피드백하는 이유는 출력이 약하거나 강하면 1차단으로 피드백해서 스위칭을 조절해 출력을 제어한다.
정류회로
전압이 다운된 AC를 DC로 변환한다. 정류회로는 1개 다이오드와 캐퍼시터로 구성된다.

위 회로는 2차측에서 DC에서 AC로 변환된 전압을 다시 DC로 변환하기 때문에 1차측 정류기보다 좀더 단순하다.
피드백 회로
피드백회로는 2차측 전력 사용량에 의해 변화되는 전압을 1차로 피드백하여 더 많은 전류를 공급하게 만든다. 그렇게해서 안정적인 전압을 공급하게 한다. 떨어지면 더 많이 공급하게하고, 높아지면 적게 공급하게하는 부 귀한(Negative Feedback)으로 피드백 신호가 입력되서 뺄셈이 되는 회로이다.

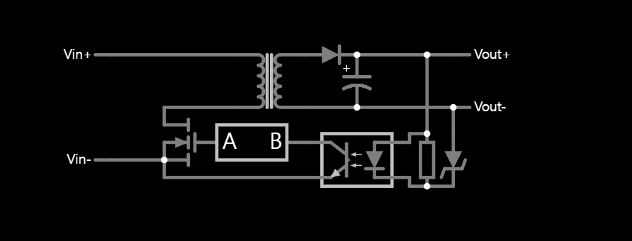
피드백 회로는 Opto-Isolator를 사용한다. Opto-Isolator는 물리적으로 분리된 형태로 2차측 피드백 신호를 1차측의 제어회로로 전달하는 역활을 한다. 그리고 제어회로는 전달받은 피드백 신호를 사용해 적절하게 듀티(duty)나 주파수를 조절해 출력전압을 제어한다. 위 회로는 제너다이오드를 사용한 피드백 신호를 생성한다. Opto-Isolator에 사용된 저항은 불완전 상태를 해소하기 위해서 사용되었다. 제너다이오드에 제너전압 이상으로 발생할 경우 1차측으로 피드백 신호를 보내 전류를 억제하는 구조이다. 즉, 이 회로는 최대 공급가능한 전압이 있지만 피드백 회로에 의해서 일정 전압을 억제한다. 만약 부하로 인해 전력 사용으로 인해 전압 강하가 발생하면 피드백 회로가 비활성화되면서 더 많은 전압을 전달하게 된다. 그러다가 더이상 부하에 의해 전압 강하가 없이 더 높아지면 피드백회로에 의해서 피드백 신호를 1차측으로 보내 전압을 억제하게 된다.

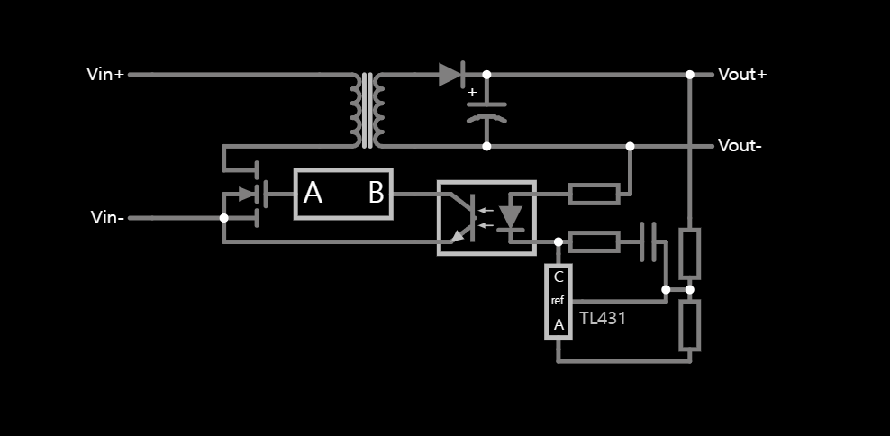
위 회로는 TL431을 사용한 피드백 회로이다. ref은 기준 전압(Reference Voltage)으로 C의 전압이 변경되고 Opto-Isolator에 흐르는 전류가 달라지면서 1차측의 제어회로로 피드백 신호를 전달하게 된다.
정리
SMPS에 대해서 1차측과 2차측으로 구분해서 정리했다. 아래 회로는 RCC SMPS에 대한 전체 회로이다.

단계별로 접근하다면 생각보다 어렵지 않다. 물론 아직까지 실제 회로를 보고 자연스럽게 해석하는데는 좀더 많이 알아야한다.
출처
[1] SMPS, https://namu.wiki/w/SMPS, 2024.09.30
[2] 루드비크 전원회로 설계 연구소, 타려식/자력식(RCC) SMPS 구조 동작 원리, https://www.youtube.com/watch?v=LIb1oe1sVok
[3] 일렉트로 프로파일러, SMPS 전원장치를 이보다 쉽게 설명할 수 없을 것, https://www.youtube.com/watch?v=9X5TKJWQ_rQ
[4] TinySwitch-4, https://www.power.com/products/tinyswitch/tinyswitch-4, Power integrations
[5] 욱이콩이, 상호 인덕턴스의 dot convertion, https://m.blog.naver.com/dudnr456/221790569403
[6] All about SMPS, https://www.etechnog.com/2023/05/all-about-smpsfunction-components.html, ETechnoG
'7.취미' 카테고리의 다른 글
| Rainmeter Skin - ospace 1.10.0 (0) | 2026.01.17 |
|---|---|
| [전기전자] LED 취침등 수리 (9) | 2024.10.04 |
| [전기전자] BLDC 모터 소개 (25) | 2024.10.02 |
| 기계식 키보드 소개 (0) | 2024.03.14 |
| Rainmeter Skin - ospace (0) | 2015.09.15 |