들어가기
취미로 정리하는 BLDC 모터 원리입니다. 참고용으로 봐주세요. 일반적인 DC 모터는 가운데 코일 부분이 회전자가 돌아갈때에 브러시를 사용해서 흘러가는 전류를 제어한다. 이로 인해 구조는 단순해지지만 효율과 내구성 문제가 발생한다. BLDC(Brushless DC) 모터는 가운데 브러시를 제거한 형태로 내구성과 출력이 좋아지지만 복잡해지는 단점이 있다. 가운데 브러시가 없기 대문에 흘러가는 전류를 직접 제어해줘서 복잡해지는 단점이 있다.
작성자: http://ospace.tistory.com/ (ospace114@empal.com)
원리
모터의 기본적인 구조는 자석의 자기력으로 인한 인력과 척력을 사용해서 회전운동을 만드는 장치이다. 다른 극은 잡아당기고(인력) 같은 극은 밀어내는(척력) 힘을 사용하여 회전시킨다. 이를 회전하기 위해 전기자를 사용해 전자석을 만들어서 회전할 때 적절한 극성으로 만들어준다. 그렇기 때문에 외부 고정자는 영구자석을 사용하고 내부 회전자가 전기자가 되어 브러시에 의해 전류 흐름을 제어한다.

BLDC 모터는 브러시를 제거하고 전기자에 흐르는 전류를 직접 제어한다. 그렇기 때문에 DC 모터와는 반대로 전기자가 고정된 고정자로 되고, 영구자석이 회전자가 된다. 전기자가 고정되어 있기에 회로를 통해 전류 흐름을 제어할 수 있게 된다.

위의 구조가 대표적으로 사용되는 BLDC 모터 이미지이다. 위의 이미지는 가운데 영구자석이 있고 외측에는 전기자인 코일로 구성된다. 이 경우는 가운데 영구자석이 회전자가 된다. 어떤 경우는 외부에 영구자석이 있고 내부에 전기자로 구성되기도 한다. 아마도 위와 같은 구조는 기존 DC 모터와 비교하기 위해 가운데에 회전자를 배치한 것으로 보인다.
소문자로 표시된 코일은 서로 연결되고 com 부분은 하나로 접점된다. 이렇게 만든 이유는 개별 코일 별도로 제어하려면 코일 개수에 2배인 12개 접점이 생긴다. 물론 맞은편 코일이 한쌍으로 묵어서 사용할 경우 6개 점점으로도 제어 가능하다. com 점접 사용한 방식인 경우 6개 접점이 아닌 3개 접점만 생긴다. 각 3개 접점인 ABC에 전압을 인가하여 전자석를 만들어서 회전을 하게 된다. 코일의 개수는 모터마다 다르다.
BLDC 모터의 작동에 대한 설명은 말보다 영상이 더 잘 이해할 수 있으니 유튜브 영상https://youtu.be/bCEiOnuODac을 참고하기 바란다.
앞에서 말한 코일에 흐르는 전류 흐름을 제어 위해서 컨트롤러가 별도로 필요하다. 이로 인해 BLDC 모터에 부품 개수가 많아지면서 가격이 고가였지만, 최근 전자분야가 발전하면서 가격이 많이 떨어졌다고 한다.
예제 회로
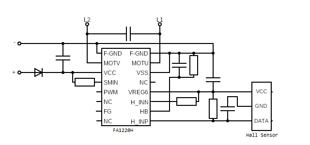
간단한 제어 회로를 살펴보자. 여기서 사용할 모터 컨트롤 IC는 FA1220H이다.
FA1220H Datasheet:
12V에서 작동하는 응용 회로를 간단하게 작성해보았다. 해당 회로는 데이터시트에 회로를 참고하면 더 자세히 설명되어 있다. 회로는 속도 제어에 대해서는 고려하지 않았다.

핵심 소자는 FA1220H와 Hall Sensor이다. FA1220H가 BLDC 모터 컨트롤러이고 Hall Sensor은 영구자석 회전 위치를 감지하는 역할을 한다. Hall Sensor은 영구자석의 NS 쌍 개수만큼 필요하다. 위의 회로는 한쌍의 영구자석만 있기 때문이 한개 Hall Sensor을 사용한다. Hall Sensor에 의해서 N극인 경우와 S극인 경우를 판단할 수 있다.
FA1220H은 코일이 2쌍으로 되어 있어서 코일 접점이 2개로 되어있다. 위의 회로에서 L1와 L2에 해당한다. 홀센서는 H_INN, H_INP 그리고 HB가 사용된다. Hall Sensor 전원으로 HB가 사용되지만, 전압이 낮으면 VREG6을 사용할 수 있다. Hall Sensor 위치에 의해 현재 영구 자석이 N극이면 지나가는 전자석은 N극으로 만들어서 밀어내고 회전 방향의 전자석은 S극으로 만들어서 끌어들이면서 회전하게 한다. 즉, Hall Sensor에 의해 현재 영구자석의 회전위치를 알고 적절한 전류 방향을 컨트롤에 의해서 제어한다.
더 자세한 내용은 데이터시트를 참고하기 바란다.
참고로 FA1220H 칩의 핀 배열과 핀 설명은 다음과 같다.

| Pin NO. | Name | Type | Description | |
|---|---|---|---|---|
| 1 | MOTV | O | 모터 출력 | |
| 2 | VCC | Power | 전원 공급 | |
| 3 | SMIN | I | 최소 속도 설정 | |
| 4 | PWM | I | 속도 조절용 다이렉트 PWM | |
| 6 | FG | O | 주파수 생성기 | |
| 8 | H_INP | I | 홀 센서 입력, IN+ | |
| 9 | HB | O | 홀 바이어스 전압 | |
| 10 | H_INN | I | 홀 센서 입력, IN- | |
| 11 | VREG6 | O | LDO 6V 출력 | |
| 13 | VSS | GND | 제어 신호 접지 | |
| 14 | MOTU | O | 모터 출력 |
정리
지금까지 다룬 BLDC 모터는 Hall Sensor을 사용한 모터이다. 이 센서도 제거한 Sensorless BLDC 모터도 있다. 센서를 제거했으면 현재 회전자 위치를 몇가지 방식으로 파악할 수 있다.
- Zero crossing EMF(역전압): 모터는 전기 제너레이터와 구조는 동일하다. 그래서 현재 발생하는 유도 전압에 의한 역전압으로 회전자의 현재 위치를 파악할 수 있다. 정확한 측정을 위해 최소 수백 RPM이상 속도가 필요하다.
- Observer-based EMF: 모터 전류로 회전자 위치와 속도를 파악한다. 이또한 정확한 측정을 위해 수백 RPM이상 속도가 필요하다.
- Magnetic anisotropy(자기 이방성): 회전자와 고정자 자기력 변화로 인한 모터 인덕턱스를 측정해 회전자 위치를 파악한다. 측정은 짧은 전류 펄스로 측정한다. 모터마다 측정치가 다르기 때문에 세밀한 조정이 필요하다. 이 방식은 낮은 회전 속도에서도 잘 작동한다.
Sensorless BLDC는 센서가 없어졌기 때문에 더 간단해지고 소자 비용도 줄어든다. 또한 열악한 환경에 센서가 받은 영향이 없어지므로 잘 작동한다. 그러나 그만큼 신경써야할 일이 더 많아진다. 그렇기에 컨트롤러 성능이 모터 속도에 영향을 미친다.
용어 중에 듀티(Duty)가 나온다. 이는 전압이 흐르고 끊어지는 상태가 반복되는게 이때 전압이 흐르고 있는 상태 비율을 의미한다. 듀티가 60%라고 하면 전압이 연결상태가 60%이고 끊어진 상태가 40%가 된다.
BLDC 모터는 이미 많은 곳에서 사용하고 있다. 높은 토크, 속도 제어, 높은 효율이 장점으로 많이 사용되고 있다.
참고
[1] Lesics, Brushless DC Motor, How it works?, https://youtu.be/bCEiOnuODac
[2] 브러시리스 모터, https://namu.wiki/w/브러시리스 모터, 2024-09-18
[3] Urs Kafader, 브러시리스 모터의 센서리스 제어, https://www.maxongroup.com/ko-kr/knowledge-and-support/blog/sensorless-control-of-brushless-motors-16670
https://blog.naver.com/msnayana/223281645559
[4] Circuit simulator, https://www.falstad.com/circuit/circuitjs.html
[5] BLDC 모터의 제어, https://m.blog.naver.com/paynoh/221322336204
'7.취미' 카테고리의 다른 글
| [전기전자] SMPS 전원장치 소개 (3) | 2024.11.19 |
|---|---|
| [전기전자] LED 취침등 수리 (9) | 2024.10.04 |
| 기계식 키보드 소개 (0) | 2024.03.14 |
| Rainmeter Skin - ospace (0) | 2015.09.15 |
| FC750RT 적축 간단한 리뷰 (0) | 2014.04.02 |